ELEC 226, Spring 2011
Prof. Rich Kozick
Homework 7
Date Assigned: Thursday, April 14, 2011
Date Due: Thursday, April 21, 2011 in class at 8:30 AM
- Reading: In the
Ulaby/Maharbiz text, please continue to study Chapter 5, sections 1
through 7. Please also read Chapter 6 and review your notes from MATH 212
on second-order, linear differential equations. We will not have time to
study Chapter 6 in detail, but please browse the chapter for the main
ideas.
- Lab: We will have the
final lab meeting on April 18 and 20, with no lab on April 25 and 27. We
will finish Lab 6
on April 18 and 20, where you will demonstrate your waveform generator
that produces square, triangle, and sine waves with variable amplitude and
variable frequency.
- Please solve the following
problems in Chapter 5:
Problems 33, 35, 38, 45, and 56.
(Note that Problems 33 and 45 are the same circuits as Problems 34 and 46 on
Homework
6, so you may want to solve these first.)
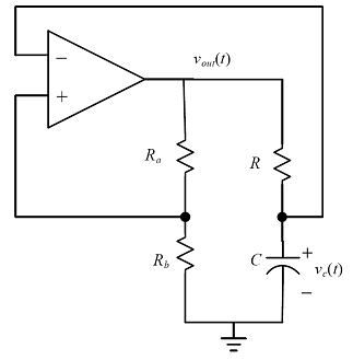
- The following circuit is a
slightly more general version of the clock circuit from Lab 5, where Ra and Rb
may be unequal. Assume that the op amp is powered so that -10 V <= vout(t)
<= +10 V, and let T denote the period of the waveform
produced by the oscillator circuit.

- Find the formulas for
the capacitor voltage, vc(t), during the time intervals
0 <= t <= T/2 and T/2 <= t <= T.
Assume that the circuit is in "steady-state" at time t=0, i.e.,
the circuit has been oscillating for a long time before t=0. Also assume
that the capacitor voltage has its minimum (most negative) value at t=0
(as we did in class on April 14).
Your formulas will be a function of all of the resistor and capacitor
values in the circuit (R, C, Ra, Rb).
- Use your results for vc(t)
to find a formula for the period, T, as a function of the resistor
and capacitor values in the circuit.
- Sketch vout(t)
and vc(t) versus time, and indicate the effects of the
circuit parameters on the amplitudes and period in your plot.
- How should Ra
and Rb be chosen so that vc(t) is
close to a triangle wave? Please explain based on your formulas
for vc(t).
Thank you.